欢迎来到赛凡光电! 北方大区经理:13701006280 华东、华中大区经理:18865942398 华南、西南大区经理:13701001510  
全国服务热线:010-80885970
关注微信公众号

    7SRA4100电动旋转台

    产品型号:

    7SRA4100

    产品特点:

    ●交叉圆柱滚子轴承结构,具有超高的运动性能,适合水平、垂直、倒置等多种场合使用 ●精研蜗轮蜗杆传动,具有超高的传动精度 ●巧妙的消除间隙设计,可以调整因长期使用造成的间隙 ●标配二相步进电机,稳定、可靠 ●更高精度可订制

    7SRA4100电动旋转台

    产品特点:

    ●交叉圆柱滚子轴承结构,具有超高的运动性能,适合水平、垂直、倒置等多种场合使用;
    ●精研蜗轮蜗杆传动,具有超高的传动精度;

    ●巧妙的消除间隙设计,可以调整因长期使用造成的间隙;

    ●标配二相步进电机,稳定、可靠;

    ●更高精度可订制;


    技术参数:

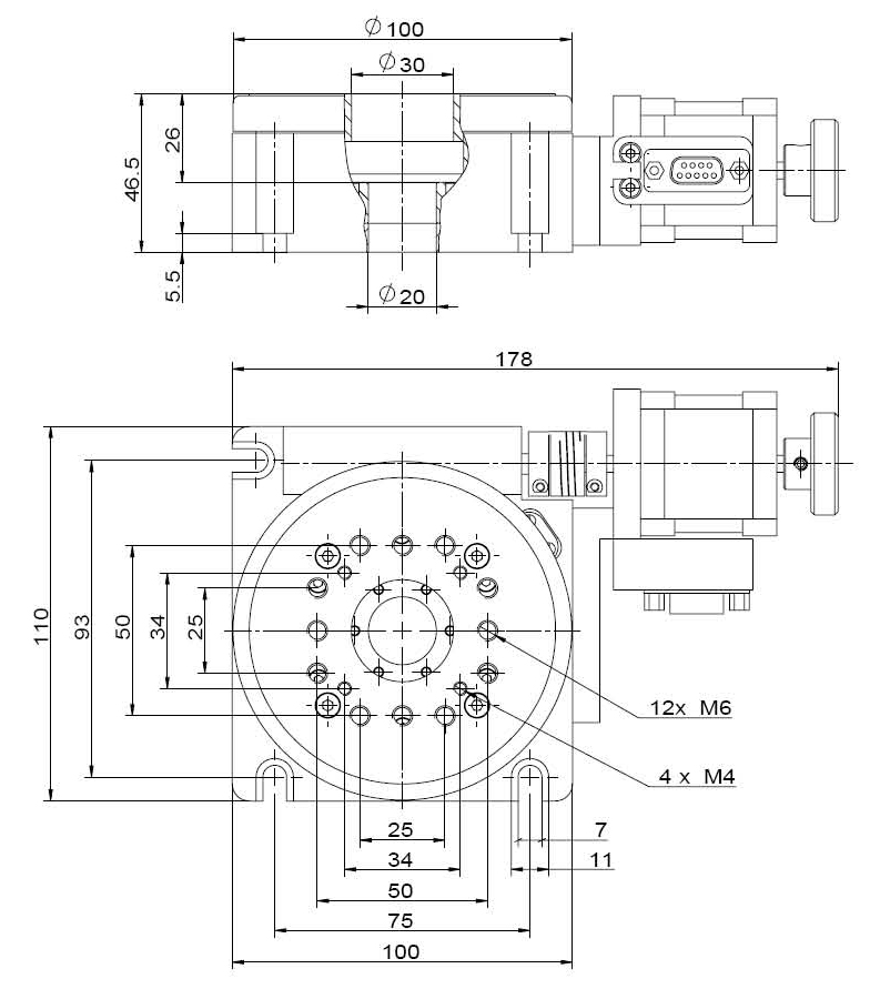
    产品图纸:



    关闭

    总公司

    北京

    东北地区

    华东地区

    华北地区

    西北地区

    华中地区

    华南地区

    西南地区

    海外经理