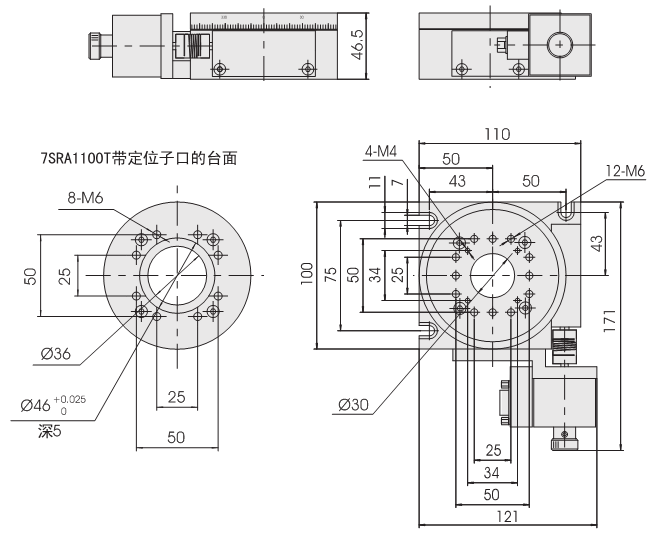
7SRA1100T电动旋转台
产品型号:
7SRA1100T
产品特点:
1、配有步进电机和标准RS232接口,可单独增加光电零位,配合7SC系列运动控制器可实现自动控制; 2、旋转轴系采用轴承钢材料精密加工而成,配合精度高,承载大,寿命长; 3、传动采用蜗轮蜗杆结构,台面可以任意正反旋转; 4、蜗轮蜗杆经过精密研配,运动舒适,空回极小; 5、巧妙设计的消间隙结构,可以调整因长期使用造成的间隙; 6、中心通孔直径有公差限制,通孔的中心与旋转中心重合,方便定位; 7、步进电机和蜗杆通过进口高品质弹性联轴节连接,传动同步且噪音小; 8、台面外圈是刻度圈,周圈激光刻划标尺且可以相对台面转动,方便读数和初始定位; 9、可换装伺服电机,适合工业应用; 10、转台有专用带定位子口的铜台面可选购。
7SRA1100T电动旋转台

产品特点:
1、配有步进电机和标准RS232接口,可单独增加光电零位,配合7SC系列运动控制器可实现自动控制;
2、旋转轴系采用轴承钢材料精密加工而成,配合精度高,承载大,寿命长;
3、传动采用蜗轮蜗杆结构,台面可以任意正反旋转;
4、蜗轮蜗杆经过精密研配,运动舒适,空回极小;
5、巧妙设计的消间隙结构,可以调整因长期使用造成的间隙;
6、中心通孔直径有公差限制,通孔的中心与旋转中心重合,方便定位;
7、步进电机和蜗杆通过进口高品质弹性联轴节连接,传动同步且噪音小;
8、台面外圈是刻度圈,周圈激光刻划标尺且可以相对台面转动,方便读数和初始定位;
9、可换装伺服电机,适合工业应用;
10、转台有专用带定位子口的铜台面可选购。
技术参数:

产品图纸:




