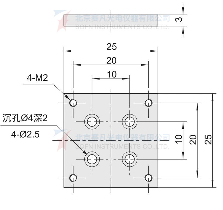
7MB16 Baseplate
Model:
7MB16
Characteristics:
7MB series baseplates are used to fix mounts on the working table or combine a variety of adjusting rack.They have multi specifications and flexible for selection.












