7MMS225 Prism Beam Steerer
7MMS225
1、7MMS series beam steerers can change the direction or height of the beam; 2、For clamping prism with width of 25mm; 3、The mirror mount can be rotated 360° and tilt ±4°; 4、The adjustment uses M6×0.25 ultrafine screw; 5、They use belleville springs for reset with high precision and stability,standard stainless steele for support,convenient installation and good appearance.
7MMS225 Prism Beam Steerer


Characteristics:
1、7MMS series beam steerers can change the direction or height of the beam;
2、For clamping prism with width of 25mm;
3、The mirror mount can be rotated 360° and tilt ±4°;
4、The adjustment uses M6×0.25 ultrafine screw;
5、They use belleville springs for reset with high precision and stability,standard stainless steele for support,convenient installation and good appearance.
Ancillary products:
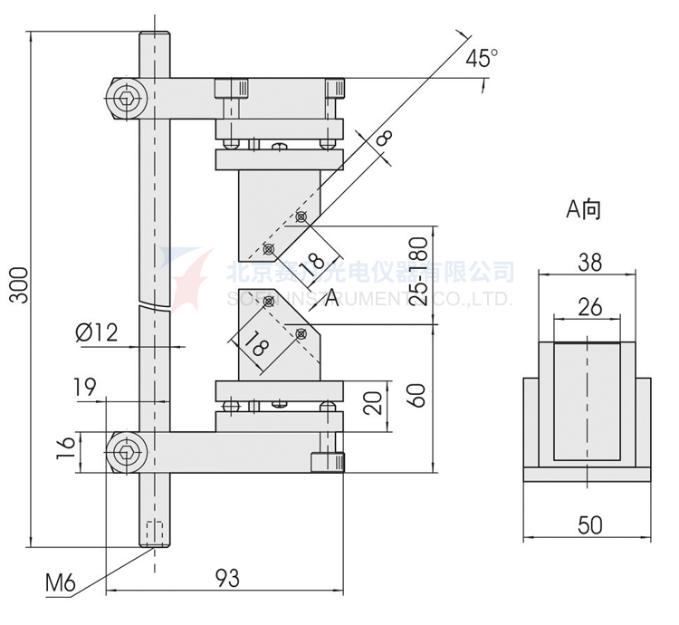
Specifications:

Product drawings:

7MMS225









