7SIM0305 Tilt Platform
7SIM0305
1、Tilt adjustment for two axes; 2、M6×0.25 super fine pitch screw for fine adjustment; 3、High quality dished spring for reset,good stablility,strong vibration resistance capacity; 4、Standard mounting holes can be used with 7MFH3 V shaped fiber clamp or 7SWM03 series triaxis translation stages to make a five-dimentional fiber adjusting rack.
7SIM0305 Tilt Platform



Characteristics:
1、Tilt adjustment for two axes;
2、M6×0.25 super fine pitch screw for fine adjustment;
3、High quality dished spring for reset,good stablility,strong vibration resistance capacity;
4、Standard mounting holes can be used with 7MFH3 V shaped fiber clamp or 7SWM03 series triaxis translation stages to make a five-dimentional fiber adjusting rack.
Ancillary products:
Specifications:

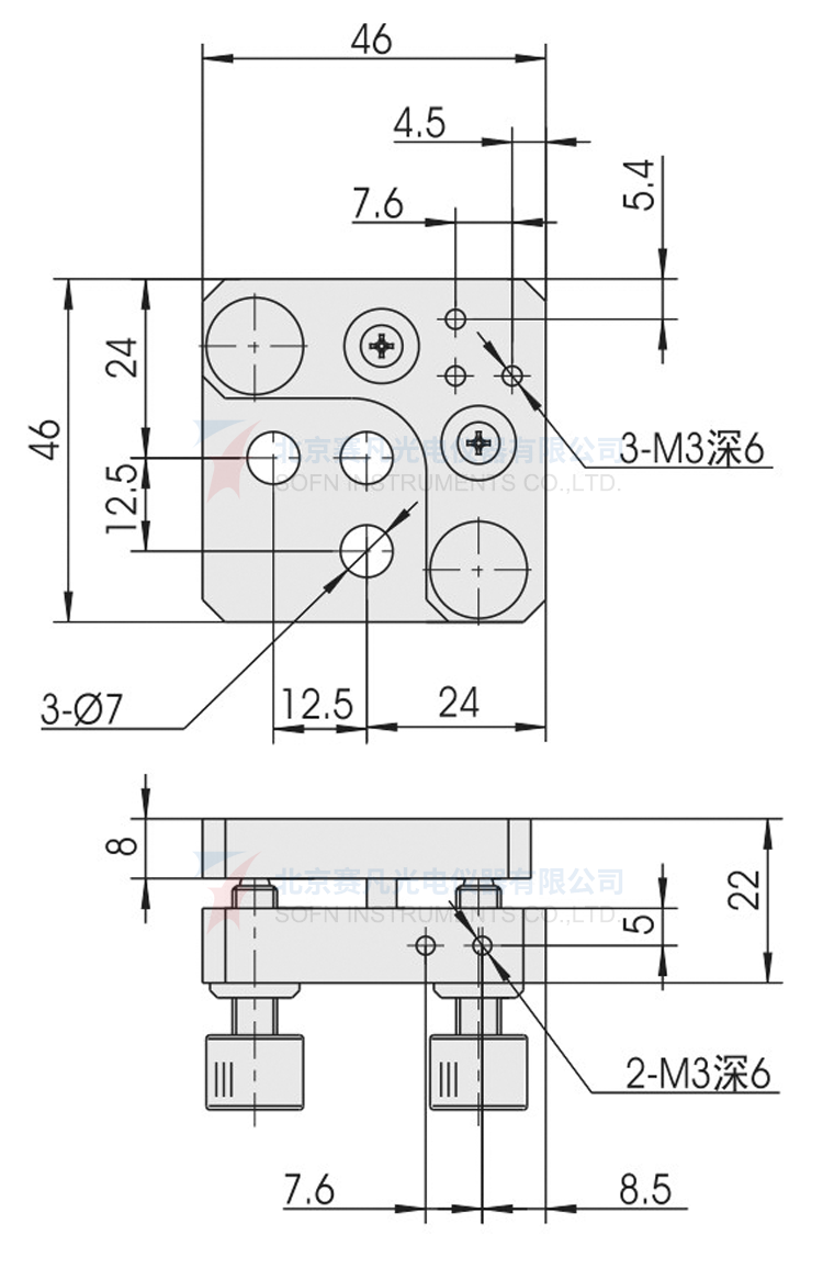
Product drawings:

7SIM0305







