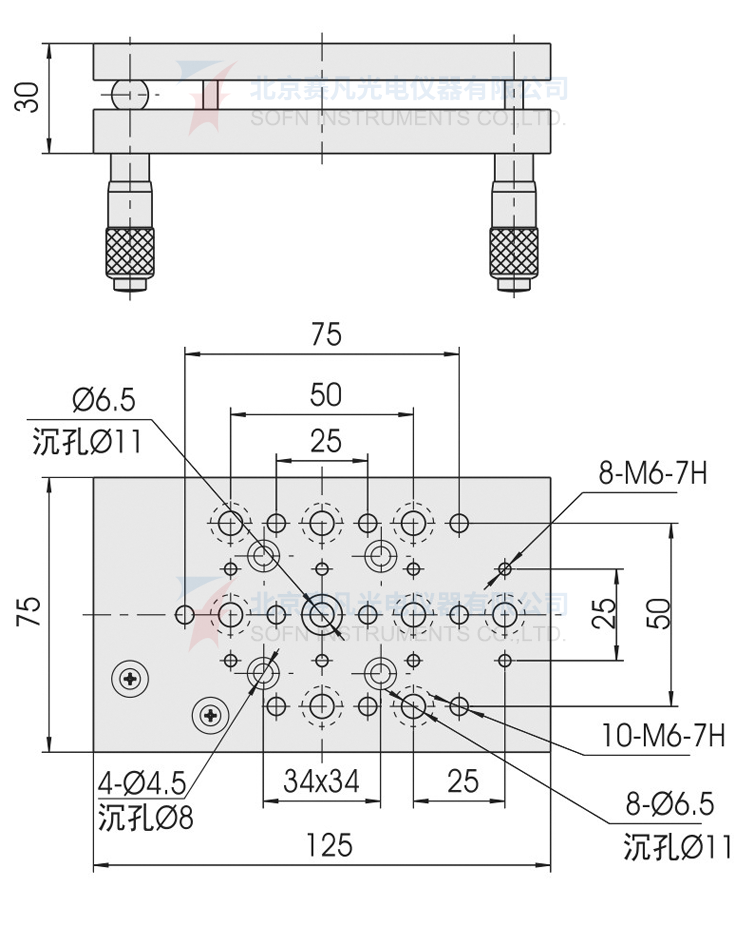
7SIM0205 Tilt Platform
Model:
7SIM0205
Characteristics:
1、Tilt adjustment for two axes; 2、Driving by micrometer,high quality dished spring for reser,good stablility; 3、Structure with the point,line and plane together,stable and good repeatability.











