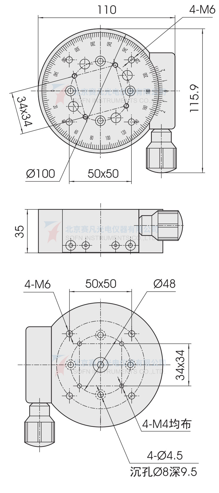
7SRM3100 Precision Rotary Stage
7SRM3100
1、Precision shafting,good accuracy and stability; 2、Rotatory of 360° with reticle for reading; 3、Finish machining worm and worm gear transmission,big reduction ration,high precision and big load; 4、Mounting holes with standard distance are distributed on the surface and the base for installation and combination.
7SRM3100 Precision Rotary Stage



Characteristics:
1、Precision shafting,good accuracy and stability;
2、Rotatory of 360° with reticle for reading;
3、Finish machining worm and worm gear transmission,big reduction ration,high precision and big load;
4、Mounting holes with standard distance are distributed on the surface and the base for installation and combination.
Ancillary product:
Specifications:

Product drawings:

7SRM3100







