7MM03 Two-dimensional Mirror Mounts
7MM0315、7MM0320、7MM03254、7MM0340、7MM0350、7MM03508等
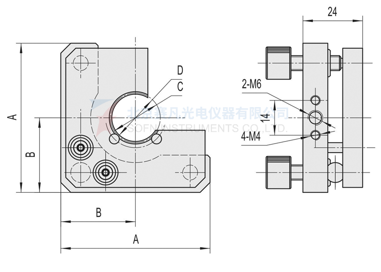
1、M6×0.25 fine thread for adjustment(with copper nut); 2、Belleville spring for reset,reset force can be adjusted,from zero to rigidity; 3、Range of adjustment ±3°; 4、Open structure,fast clamping,larger aperture; 5、Three PTFE supporting,protecting lens; 6、Mounting holes in two directions,suitable for different optical path.
7MM03 Two-dimensional Mirror Mounts





Characteristics:
1、M6×0.25 fine thread for adjustment(with copper nut);
2、Belleville spring for reset,reset force can be adjusted,from zero to rigidity;
3、Range of adjustment ±3°;
4、Open structure,fast clamping,larger aperture;
5、Three PTFE supporting,protecting lens;
6、Mounting holes in two directions,suitable for different optical path.
Ancillary products:
Specifications:

Unit:mm
Product drawings:

7MM0315、7MM0320、7MM0325、7MM03254、7MM0330、7MM0340、7MM0350、7MM03508








