欢迎来到赛凡光电! 北方大区经理:13701006280 华东、华中大区经理:18865942398 华南、西南大区经理:13701001510  
全国服务热线:010-80885970
关注微信公众号

    7SRA5100B 闭环电动旋转台

    产品型号:

    7SRA5100B

    产品特点:

    ●高精度光栅盘,重复定位精度高,定位精度经补偿后可进一步提高。读数头数字信号、模拟信号可以选配。 ●由于交叉圆柱滚子轴承结构,具有超高的运动性能,适合水平、垂直、倒置等多种场合使用; ●精研蜗轮蜗杆传动,具有超高的传动精度; ●巧妙的消除间隙设计,可以调整因长期使用造成的间隙; ●标配二相步进电机,稳定、可靠; ●更高精度可订制

    7SRA5100B 闭环电动旋转台


    技术特点:

    ●高精度光栅盘,重复定位精度高,定位精度经补偿后可进一步提高。读数头数字信号、模拟信号可以选配。

    ●由于交叉圆柱滚子轴承结构,具有超高的运动性能,适合水平、垂直、倒置等多种场合使用;

    ●精研蜗轮蜗杆传动,具有超高的传动精度;

    ●巧妙的消除间隙设计,可以调整因长期使用造成的间隙;

    ●标配二相步进电机,稳定、可靠;


    技术参数:


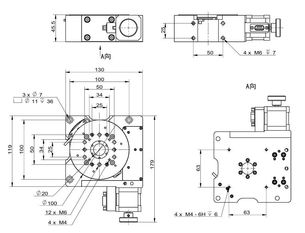
    外形尺寸图:



    关闭

    总公司

    北京

    东北地区

    华东地区

    华北地区

    西北地区

    华中地区

    华南地区

    西南地区

    海外经理