欢迎来到赛凡光电! 北方大区经理:13701006280 华东、华中大区经理:18865942398 华南、西南大区经理:13701001510  
全国服务热线:010-80885970
关注微信公众号

    7STM01113轻灵平移台

    产品型号:

    7STM01113

    产品特点:

    1、导轨为精密线性钢球配合精磨钢棒,精度高,成本低,负载较轻;2、位移调整采用细牙螺杆;3、细牙螺杆在平移台侧面放置,节省空间;4、采用弹簧复位,消除轴向间隙;5、台面和底座分布标准孔距的安装孔,方便安装和组合;6、可与其它系列位移台组成多维调整架。

    7STM01113轻灵平移台



    产品特点:

    1、轨为精密线性钢球配合精磨钢棒,精度高,成本低,负载较轻 ;

    2、位移调整采用测微头;

    3、细牙螺杆在平移台侧面放置,节省空间;

    4、采用弹簧复位,消除轴向间隙;

    5、台面和底座分布标准孔距的安装孔,方便安装和组合;

    6、可与其它系列位移台组成多维调整架。


    配套产品:

    技术参数:


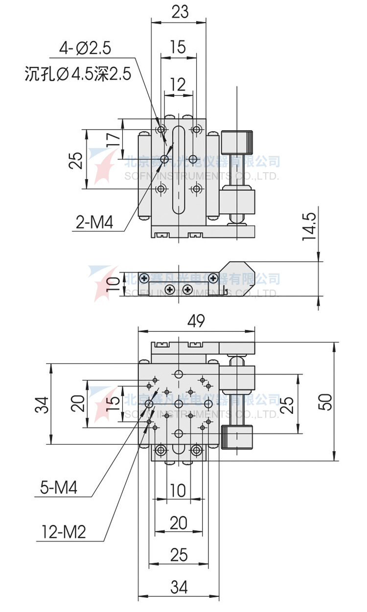
    产品图纸:

    7STM01113

    关闭

    总公司

    北京

    东北地区

    华东地区

    华北地区

    西北地区

    华中地区

    华南地区

    西南地区

    海外经理