欢迎来到赛凡光电! 北方大区经理:13701006280 华东、华中大区经理:18865942398 华南、西南大区经理:13701001510  
全国服务热线:010-80885970
关注微信公众号

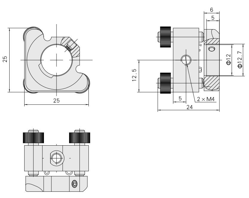
    7MM25125 三维调整镜架

    产品型号:

    7MM25125

    产品特点:

    微型化紧凑结构,适用于空间较小的实验、生产场合; 采用聚四氟乙烯端头顶丝固定镜片,装卸镜片方便快捷; 镜架可做三维调整; 调整部采用三个细牙螺纹副驱动,调整精度高; 两个方向带沉头的 M4 螺纹安装孔位,方便向下连接组合;

    7MM25125 三维调整镜架

    特点:

    1.微型化紧凑结构,适用于空间较小的实验、生产场合

    2.采用聚四氟乙烯端头顶丝固定镜片,装卸镜片方便快捷

    3.镜架可做三维调整

    4.调整部采用三个细牙螺纹副驱动,调整精度高

    5.两个方向带沉头的 M4 螺纹安装孔位,方便向下连接组合



    型号

    角度调整范围

    平移调整范围

    装卡镜片直径

    自重

    7MM25127

    θy、θz:±3°

    3mm

    φ12.7mm(0.5 英寸)

    19  g


    7MM25127:

    关闭

    总公司

    北京

    东北地区

    华东地区

    华北地区

    西北地区

    华中地区

    华南地区

    西南地区

    海外经理