欢迎来到赛凡光电! 北方大区经理:13701006280 华东、华中大区经理:18865942398 华南、西南大区经理:13701001510  
全国服务热线:010-80885970
关注微信公众号

    7SRA5200A电动旋转台

    产品型号:

    7SRA5200A

    产品特点:

    1、进口超高精密光栅盘,闭环控制,精密定位; 2、交叉滚柱轴环结构,具有较高的运动性能,适合水平、垂直、倒置等多种场合使用;3、精研蜗轮蜗杆传动,具有较高的传动精度;4、巧妙的消除间隙设计,可以调整因长期使用造成的间隙;5、标配二相步进电机,稳定、可靠;6、更高精度可根据需求订制。

    7SRA5200A电动旋转台


    产品特点:

    1、进口精密光栅盘,闭环控制,精密定位;

    2、交叉滚柱轴环结构,具有较高的运动性能,适合水平、垂直、倒置等多种场合使用

    3、精研蜗轮蜗杆传动,具有较高的传动精度

    4、巧妙的消除间隙设计,可以调整因长期使用造成的间隙;

    5、标配二相步进电机,稳定、可靠;

    6、更高精度可根据需求订制。

    技术参数:


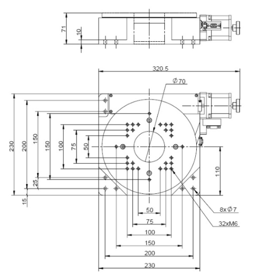
    产品图纸:

    7SRA5200A

    关闭

    总公司

    北京

    东北地区

    华东地区

    华北地区

    西北地区

    华中地区

    华南地区

    西南地区

    海外经理