欢迎来到赛凡光电! 北方大区经理:13701006280 华东、华中大区经理:18865942398 华南、西南大区经理:13701001510  
全国服务热线:010-80885970
关注微信公众号

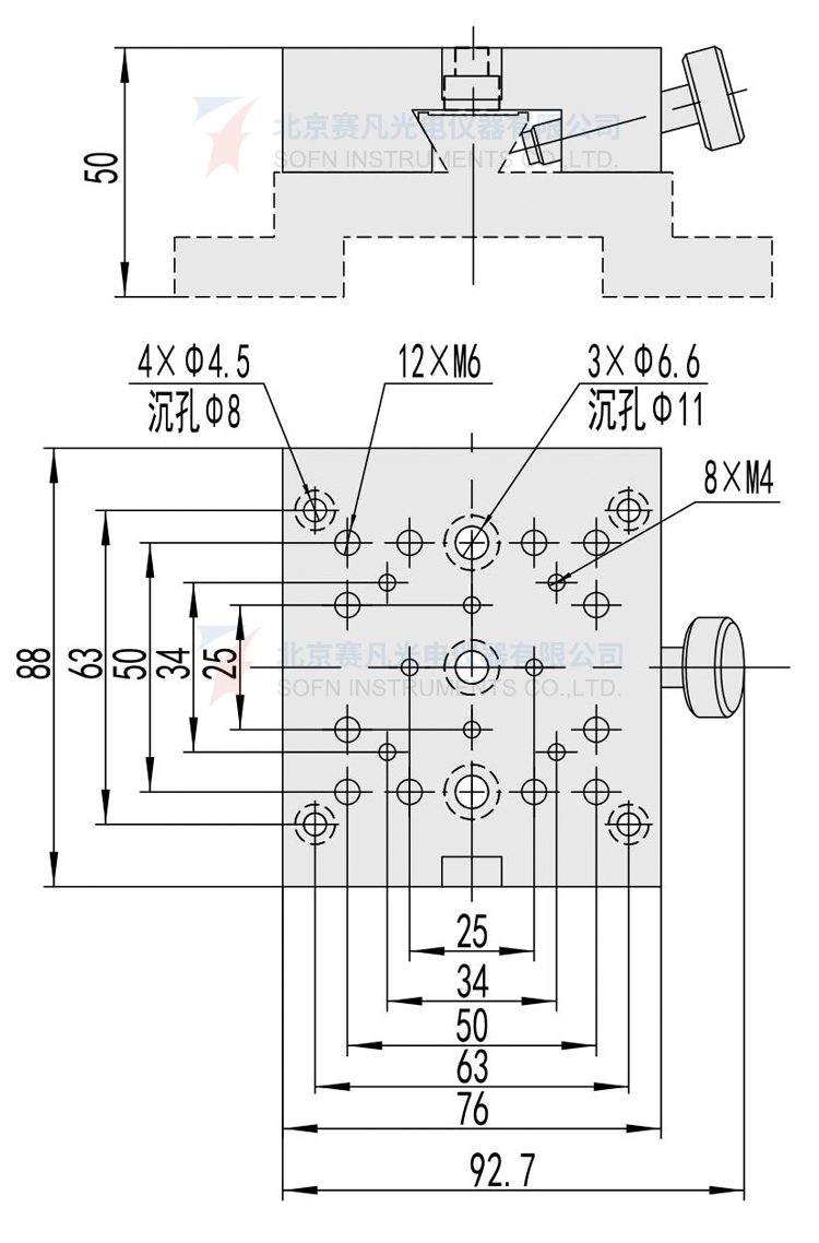
    7MRC13滑轨载物台

    产品型号:

    7MRC13

    产品特点:

    1、与7MR1系列光学滑轨配套使用,可将各种调整架组合成同轴的光学系统; 2、带塑料头的刚性锁紧手轮,锁紧牢固,不伤滑轨; 3、多种标准孔位的安装孔,适用性强。

    7MRC13滑轨载物台


    产品特点:

    1、与7MR1系列光学滑轨配套使用,可将各种调整架组合成同轴的光学系统;

    2、带塑料头的刚性锁紧手轮,锁紧牢固,不伤滑轨;

    3、多种标准孔位的安装孔,适用性强。


    配套产品:

    技术参数:


    产品图纸:

    7MRC13

    关闭

    总公司

    北京

    东北地区

    华东地区

    华北地区

    西北地区

    华中地区

    华南地区

    西南地区

    海外经理