欢迎来到赛凡光电! 北方大区经理:13701006280 华东、华中大区经理:18865942398 华南、西南大区经理:13701001510  
全国服务热线:010-80885970
关注微信公众号

    7SRA1100A/1200A/2100A电动旋转台

    产品型号:

    7SRA1100A、7SRA1200A、7SRA2100A

    产品特点:

    1、轴系设计更具特点,除了适合水平使用外,同样适合垂直或倒置使用; 2、巧妙设计,使得磨损间隙调整更加方便,只需要一把扳手; 3、日常维护更方便简单,有效延长使用寿命;4、可以在内部加装光栅盘,实现闭环定位精度3″。

    7SRA1100A/1200A/2100A电动旋转台


    产品特点:

    1、轴系设计更具特点,除了适合水平使用外,同样适合垂直或倒置使用; 

    2、巧妙设计,使得磨损间隙调整更加方便,只需要一把扳手; 

    3、日常维护更方便简单,有效延长使用寿命;

    4、可以在内部加装光栅盘,实现闭环定位精度3″。


    配套产品:

    技术参数:


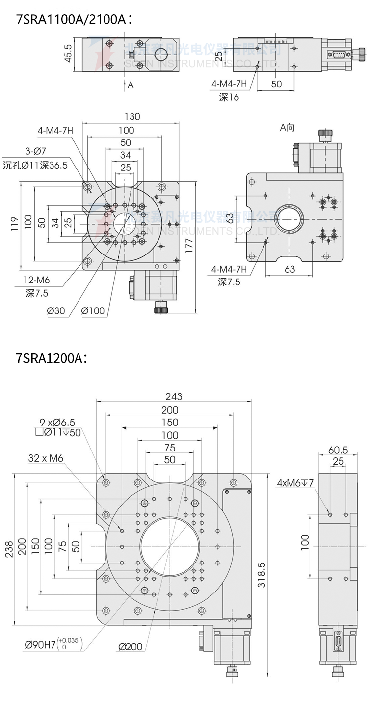
    产品图纸:

    7SRA1100A、7SRA2100A、7SRA1200A

    关闭

    总公司

    北京

    东北地区

    华东地区

    华北地区

    西北地区

    华中地区

    华南地区

    西南地区

    海外经理