欢迎来到赛凡光电! 北方大区经理:13701006280 华东、华中大区经理:18865942398 华南、西南大区经理:13701001510  
全国服务热线:010-80885970
关注微信公众号

    7MM05系列两维调整镜架

    产品型号:

    7MM0520、7MM0525、7MM0530、7MM05110

    产品特点:

    1、M6x0.25细牙螺杆调整,特殊铜螺母,可以径向锁紧螺杆,防止震动松动;2、碟形弹簧复位,复位力可调,从零到刚性;3、调整范围±3°;4、可在镜筒上装好镜片再固定到镜架上;5、聚四氟乙烯垫片,保护镜片;6、两个方向安装孔,适合不同光路方向。

    7MM05系列两维调整镜架

    产品特点:

    1、M6x0.25细牙螺杆调整,特殊铜螺母,可以径向锁紧螺杆,防止震动松动;

    2、碟形弹簧复位,复位力可调,从零到刚性;

    3、调整范围±3°

    4、可在镜筒上装好镜片再固定到镜架上;

    5、聚四氟乙烯垫片,保护镜片;

    6、两个方向安装孔,适合不同光路方向。


    配套产品:

    技术参数:


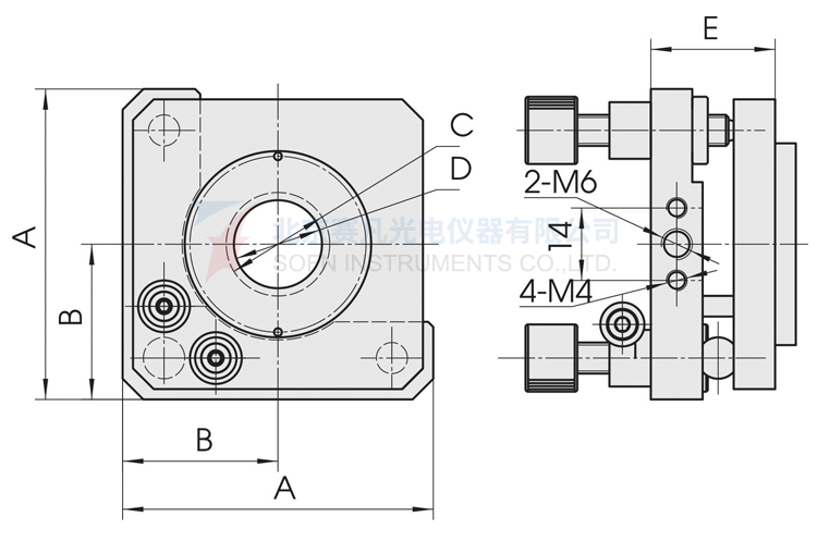
    产品图纸:

    7MM0520、7MM0525、7MM0530、7MM05110

    关闭

    总公司

    北京

    东北地区

    华东地区

    华北地区

    西北地区

    华中地区

    华南地区

    西南地区

    海外经理