欢迎来到赛凡光电! 北方大区经理:13701006280 华东、华中大区经理:18865942398 华南、西南大区经理:13701001510  
全国服务热线:010-80885970
关注微信公众号

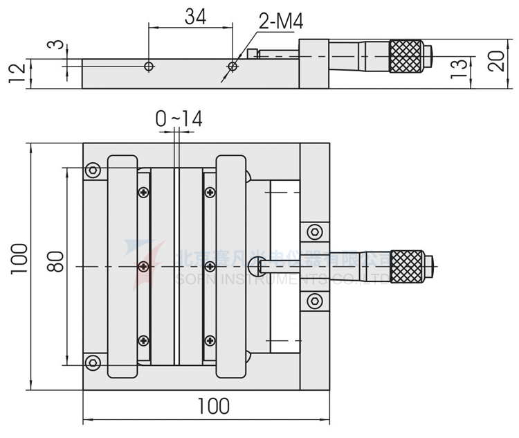
    7MAS214单开启狭缝

    产品型号:

    7MAS214

    产品特点:

    1、用于光学实验光路中需要不同宽度的线光源; 2、刀片单向开启,开启范围大,测微头调整可定量读数; 3、配备可拆卸式挡光板,避免杂散光。

    7MAS214单开启狭缝


    产品特点:

    1、用于光学实验光路中需要不同宽度的线光源

    2、刀片单向开启,开启范围大,测微头调整可定量读数

    3、配备可拆卸式挡光板,避免杂散光。


    配套产品:

    技术参数:


    产品图纸:

    7MAS214

    关闭

    总公司

    北京

    东北地区

    华东地区

    华北地区

    西北地区

    华中地区

    华南地区

    西南地区

    海外经理