欢迎来到赛凡光电! 北方大区经理:13701006280 华东、华中大区经理:18865942398 华南、西南大区经理:13701001510  
全国服务热线:010-80885970
关注微信公众号

    7MFC3光纤耦合器

    产品型号:

    7MFC3

    产品特点:

    1、在7MFC2光纤耦合器基础上将显微物镜座改进为由测微头驱动的可移方式,使Tx调整范围更大,且可定量; 2、导轨采用精密线性滚珠导轨副,运动稳定,精度高; 3、增加了双轴倾斜调整功能,与光路耦合时更方便。

    7MFC3光纤耦合器


    产品特点:

    1、在7MFC2光纤耦合器基础上将显微物镜座改进为由测微头驱动的可移方式,使Tx调整范围更大,且可定量;

    2、导轨采用精密线性滚珠导轨副,运动稳定,精度高;

    3、增加了双轴倾斜调整功能,与光路耦合时更方便。


    配套产品:

    技术参数:


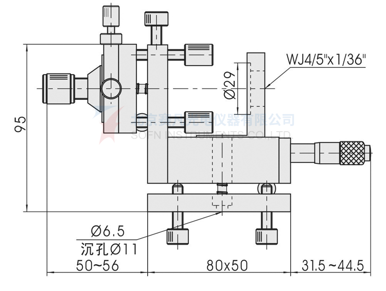
    产品图纸:

    7MFC3

    关闭

    总公司

    北京

    东北地区

    华东地区

    华北地区

    西北地区

    华中地区

    华南地区

    西南地区

    海外经理