欢迎来到赛凡光电! 北方大区经理:13701006280 华东、华中大区经理:18865942398 华南、西南大区经理:13701001510  
全国服务热线:010-80885970
关注微信公众号

    7MS3 / 7MS4系列细牙螺杆

    产品型号:

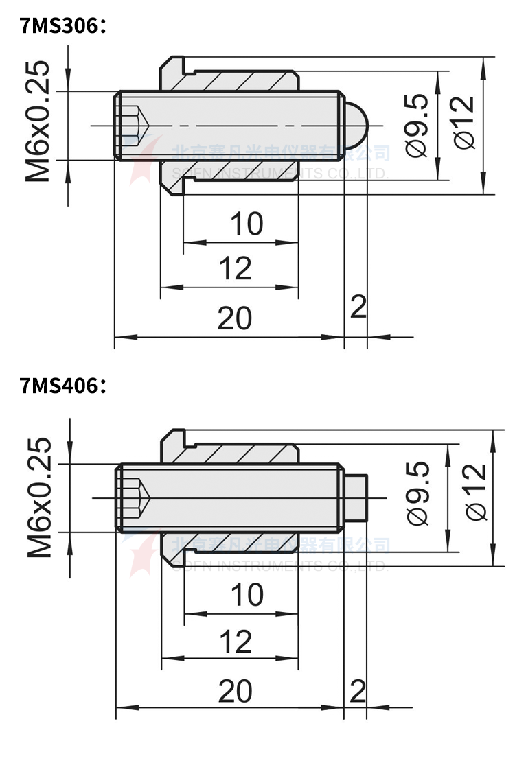
    7MS306/7MS406

    产品特点:

    1、螺杆采用不锈钢材料精研制成,M6×0.25超细螺纹,灵敏度高; 2、在不需要定量调整时,能提供比普通测微头精度更高的调节功能; 3、配有标准铜制螺母,耐磨性极佳; 4、细牙螺杆具有自锁功能,抗震动,防松动; 5、安装部分尺寸与测微头相同,方便互换; 6、7MS3系列顶部为球头,适合顶平面; 7、7MS4系列顶部为平头,适合顶球面; 8、尾部为内六角。

    7MS3/7MS4系列细牙螺杆


    产品特点:

    1、螺杆采用不锈钢材料精研制成,M6×0.25超细螺纹,灵敏度高;

    2、在不需要定量调整时,能提供比普通测微头精度更高的调节功能;

    3、配有标准铜制螺母,耐磨性极佳;

    4、细牙螺杆具有自锁功能,抗震动,防松动;

    5、安装部分尺寸与测微头相同,方便互换;

    6、7MS3系列部为球头,适合顶平面

    7、7MS4系列顶部为平头适合顶球面

    8、尾部为内六角


    配套产品:

    技术参数:


    产品图纸:

    7MS306、7MS406

    关闭

    总公司

    北京

    东北地区

    华东地区

    华北地区

    西北地区

    华中地区

    华南地区

    西南地区

    海外经理