欢迎来到赛凡光电! 北方大区经理:13701006280 华东、华中大区经理:18865942398 华南、西南大区经理:13701001510  
全国服务热线:010-80885970
关注微信公众号

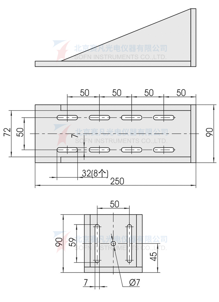
    7MBR3直角安装板

    产品型号:

    7MBR3

    产品特点:

    1、用于将位移台组合成两维或三维正交系统,也可将其他调整架正交组合;2、两正交面精密加工,保证垂直度要求;3、多种安装孔位设计通用性强。

    7MBR3直角安装板



    产品特点:

    1、用于将位移台组合成两维或三维正交系统,也可将其他调整架正交组合;

    2、两正交面精密加工,保证垂直度要求;

    3、多种安装孔位设计通用性强。


    配套产品:


    技术参数:


    产品图纸:

    7MBR3

    关闭

    总公司

    北京

    东北地区

    华东地区

    华北地区

    西北地区

    华中地区

    华南地区

    西南地区

    海外经理