欢迎来到赛凡光电! 北方大区经理:13701006280 华东、华中大区经理:18865942398 华南、西南大区经理:13701001510  
全国服务热线:010-80885970
关注微信公众号

    7MBM1磁力底座

    产品型号:

    7MBM1

    产品特点:

    1、磁力底座内有永磁体,巧妙的结构设计可以在瞬间通断磁力或使磁力从零到最大渐变。所以如果您的实验室有光学平台或其它铁磁体平台,选用磁力底座来固定,调整物件是最方便的,可以不受固定孔位置限制;2、磁力瞬间通断;3、结构简单,性价比极高。

    7MBM1磁力底座


    产品特点:

    1、磁力底座内有永磁体,巧妙的结构设计可以在瞬间通断磁力或使磁力从零到最大渐变。所以如果您的实验室有光学平台或其它铁磁体平台,选用磁力底座来固定,调整物件是最方便的,可以不受固定孔位置限制;

    2、磁力瞬间通断;

    3、结构简单,性价比极高。


    配套产品:

    技术参数:


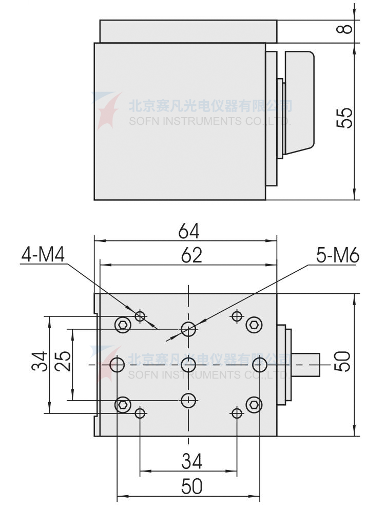
    产品图纸:

    7MBM1

    关闭

    总公司

    北京

    东北地区

    华东地区

    华北地区

    西北地区

    华中地区

    华南地区

    西南地区

    海外经理