欢迎来到赛凡光电! 北方大区经理:13701006280 华东、华中大区经理:18865942398 华南、西南大区经理:13701001510  
全国服务热线:010-80885970
关注微信公众号

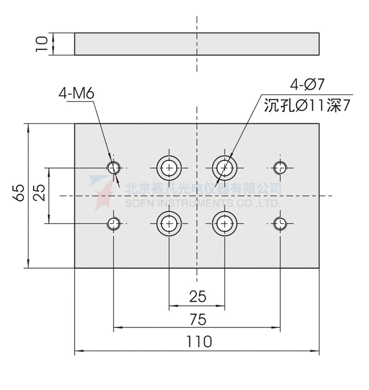
    7MB25底板

    产品型号:

    7MB25

    产品特点:

    用于将调整架安装固定于工作台上或组合多种调整,规格多样,选择灵活。

    7MB25底板


    产品特点:

    1、7MB25底板用于将调整架固定于工作台面上,或组合成多维位移组合;

    2、赛凡光电备有型号众多的底板、转接板供您选择;

    3、底板系列产品接受非标定制。


    配套产品:


    技术参数:


    产品图纸:

    7MB25

    关闭

    总公司

    北京

    东北地区

    华东地区

    华北地区

    西北地区

    华中地区

    华南地区

    西南地区

    海外经理