欢迎来到赛凡光电! 北方大区经理:13701006280 华东、华中大区经理:18865942398 华南、西南大区经理:13701001510  
全国服务热线:010-80885970
关注微信公众号

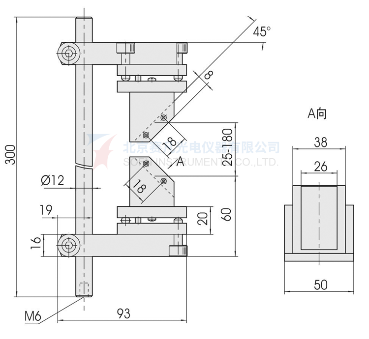
    7MMS225棱镜型光束折转架

    产品型号:

    7MMS225

    产品特点:

    1、7MMS225光束折转架可将光束改变方向或高度;2、可夹持宽度25mm的棱镜,适应不同直径的光束;3、镜座可360°旋转,并可±4°倾斜调整;4、调整机构采用M6x0.25超细螺杆驱动,碟簧复位,稳定性好;5、支杆采用12mm直径标准支撑杆,安装方便,美观适用。

    7MMS225棱镜型光束折转架


    产品特点:

    1、7MMS225光束折架可将光束改变方向或高度

    2、可夹持宽度25mm的棱镜,适应不同直径的光束;

    3、镜座可360°旋转,并可±4°倾斜调整

    4、调整机构采用M6x0.25超细螺杆驱动,碟簧复位,稳定性好;

    5、支杆采用12mm直径标准支撑杆,安装方便,美观适用。


    配套产品:

    技术参数:



    产品图纸:

    7MMS225

    关闭

    总公司

    北京

    东北地区

    华东地区

    华北地区

    西北地区

    华中地区

    华南地区

    西南地区

    海外经理