欢迎来到赛凡光电! 北方大区经理:13701006280 华东、华中大区经理:18865942398 华南、西南大区经理:13701001510  
全国服务热线:010-80885970
关注微信公众号

    7SIA0205双轴电动倾斜台

    产品型号:

    7SIA0205

    产品特点:

    1、提供电动双轴倾斜调整; 2、调整螺杆采用M6x0.25超细牙螺杆,实现精密调整; 3、高品质碟形弹簧复位,稳定性好,抗震动能力强。

    7SIA0205双轴电动倾斜台


    产品特点:

    1、提供电动双轴倾斜调整; 

    2、调整螺杆采用M6x0.25超细牙螺杆,实现精密调整;

    3、高品碟形弹簧复位,稳定性好,抗震动能力强。


    配套产品:

    技术参数:


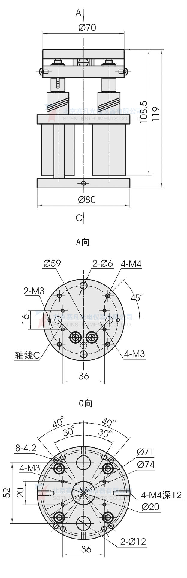
    产品图纸:

    7SIA0205

    关闭

    总公司

    北京

    东北地区

    华东地区

    华北地区

    西北地区

    华中地区

    华南地区

    西南地区

    海外经理