欢迎来到赛凡光电! 北方大区经理:13701006280 华东、华中大区经理:18865942398 华南、西南大区经理:13701001510  
全国服务热线:010-80885970
关注微信公众号

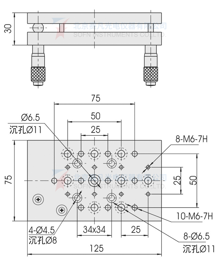
    7SIM0205双轴倾斜台

    产品型号:

    7SIM0205

    产品特点:

    1、提供双轴倾斜调整; 2、测微头驱动,高品质碟形弹簧复位,稳定性特佳; 3、点、线、面结构设计,稳定性好,重复性好。

    7SIM0205双轴倾斜台

    产品特点:

    1、提供双轴倾斜调整; 

    2、测微头驱动,高品质碟形弹簧复位,稳定性特佳; 

    3、点、线、面结构设计,稳定性好,重复性好


    配套产品:

    技术参数:


    产品图纸:


    7SIM0205

    关闭

    总公司

    北京

    东北地区

    华东地区

    华北地区

    西北地区

    华中地区

    华南地区

    西南地区

    海外经理