欢迎来到赛凡光电! 北方大区经理:13701006280 华东、华中大区经理:18865942398 华南、西南大区经理:13701001510  
全国服务热线:010-80885970
关注微信公众号

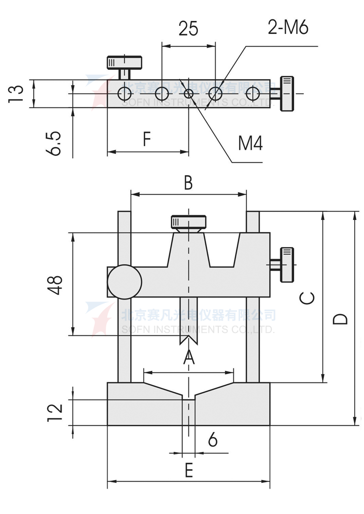
    7MML2系列变直径透镜架

    产品型号:

    7MML250、7MML275、7MML2100

    产品特点:

    1、可调松紧的弹性夹持方式,直至刚性夹紧,装卸方便,夹持牢固;2、V形聚四氟乙烯夹头保护镜片;3、V形夹头可360°旋转,配合V形底座,可夹持不同厚度的镜片或圆柱体。

    7MML2系列变直径透镜架


    产品特点:

    1、可调松紧的弹性夹持方式,直至刚性夹紧,装卸方便,夹持牢固;

    2、V形聚四氟乙烯夹头保护镜片;

    3、V形夹头可360°旋转,配合V形底座,可夹持不同厚度的镜片或圆柱体。


    配套产品:


    技术参数:


    产品图纸:

    7MML250、7MML275、7MML2100

    关闭

    总公司

    北京

    东北地区

    华东地区

    华北地区

    西北地区

    华中地区

    华南地区

    西南地区

    海外经理