欢迎来到赛凡光电! 北方大区经理:13701006280 华东、华中大区经理:18865942398 华南、西南大区经理:13701001510  
全国服务热线:010-80885970
关注微信公众号

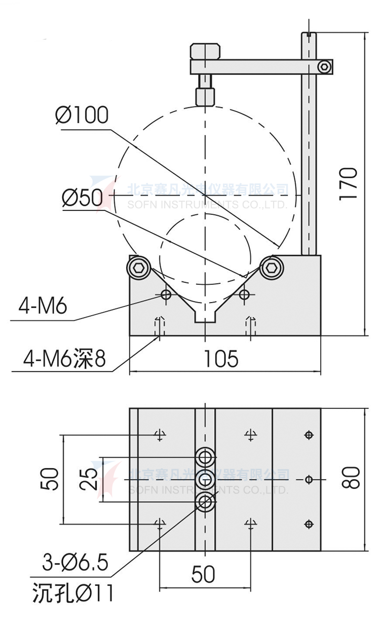
    7MM11100V型镜架

    产品型号:

    7MM11100

    产品特点:

    1、用于装卡圆柱形透镜或激光器;2、装卡直径50~100mm;3、弹性卡紧,卡紧力可调,直至刚性;4、端面4个M6螺纹孔方便定位。

    7MM11100V形镜架

    产品特点:

    1、用于装卡圆柱形透镜或激光器

    2、装卡直径50~100mm

    3、弹性卡紧,卡紧力可调,直至刚性;

    4、端面4个M6螺纹孔方便定位。



    配套产品:

    技术参数:


    产品图纸:

    7MM11100

    关闭

    总公司

    北京

    东北地区

    华东地区

    华北地区

    西北地区

    华中地区

    华南地区

    西南地区

    海外经理