欢迎来到赛凡光电! 北方大区经理:13701006280 华东、华中大区经理:18865942398 华南、西南大区经理:13701001510  
全国服务热线:010-80885970
关注微信公众号

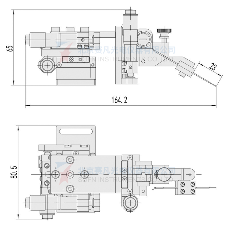
    7-SCF06A/B三维探针座(左/右)

    产品型号:

    7-SCF06A、7-SCF06B

    产品特点:

    1、可进行三维微调,两维平移,一维升降; 2、香蕉瓣接头接出信号; 3、左右手成对设计使用,也可同时配置两对向心使用。

    7-SCF06A、7-SCF06B三维探针座


    产品特点:

    1、可进行三维微调,两维平移,一维升降

    2、香蕉瓣接头接出信号;

    3、左右手成对设计使用,也可同时配置两对向心使用。


    配套产品:


    技术参数:


    产品图纸:

    7-SCF06A、7-SCF06B

    关闭

    总公司

    北京

    东北地区

    华东地区

    华北地区

    西北地区

    华中地区

    华南地区

    西南地区

    海外经理