欢迎来到赛凡光电! 北方大区经理:13701006280 华东、华中大区经理:18865942398 华南、西南大区经理:13701001510  
全国服务热线:010-80885970
关注微信公众号

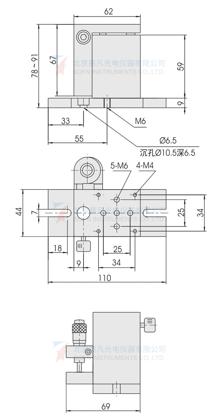
    7SVM0413直动升降台

    产品型号:

    7SVM0413

    产品特点:

    1、导轨为进口高品质线性滚珠轴承副; 2、双导轨过定位结构保证运动平稳舒适,精度高; 3、测微头外置直接驱动,方便操作,定量读数; 4、台面有标准连接孔和长孔,便于固定连接,并可直接固定7MP系列12mm直径支撑杆。

    7SVM0413直动升降台

    产品特点:

    1、导轨为进口高品质线性滚珠轴承副; 

    2、双导轨过定位结构保证运动平稳舒适,精度高; 

    3、测微头外置直接驱动,方便操作,定量读数; 

    4、台面有标准连接孔和长孔,便于固定连接,并可直接固定7MP系列12mm直径支撑杆。


    配套产品:

    技术参数:


    产品图纸

    7SVM0413

    关闭

    总公司

    北京

    东北地区

    华东地区

    华北地区

    西北地区

    华中地区

    华南地区

    西南地区

    海外经理