欢迎来到赛凡光电! 北方大区经理:13701006280 华东、华中大区经理:18865942398 华南、西南大区经理:13701001510  
全国服务热线:010-80885970
关注微信公众号

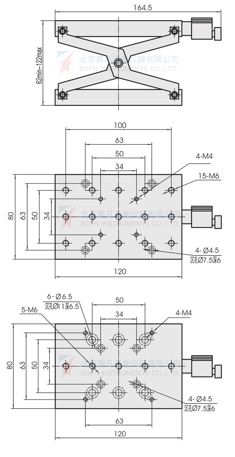
    7SVM0160千斤顶升降台

    产品型号:

    7SVM0160

    产品特点:

    1、用于大行程,不定量,大载荷的升降调整; 2、采用剪形升降支撑,精研丝杠驱动,双导轨五轴过定位机构,保证运动平稳舒适,精度高,承载大; 3、上下两面多孔位设计,适用性强,两面均可做为安装面; 4、配有锁紧手轮,安全可靠。

    7SVM0160千斤顶升降台

    产品特点:

    1、用于大行程,不定量,大载荷的升降调整; 

    2、采用剪形升降支撑,精研丝杠驱动,双导轨五轴过定位机构,保证运动平稳舒适,精度高,承载大; 

    3、上下两面多孔位设计,适用性强,两面均可做为安装面; 

    4、配有锁紧手轮,安全可靠。 


    配套产品:

    技术参数:


    产品图纸:

    7SVM0160

    关闭

    总公司

    北京

    东北地区

    华东地区

    华北地区

    西北地区

    华中地区

    华南地区

    西南地区

    海外经理