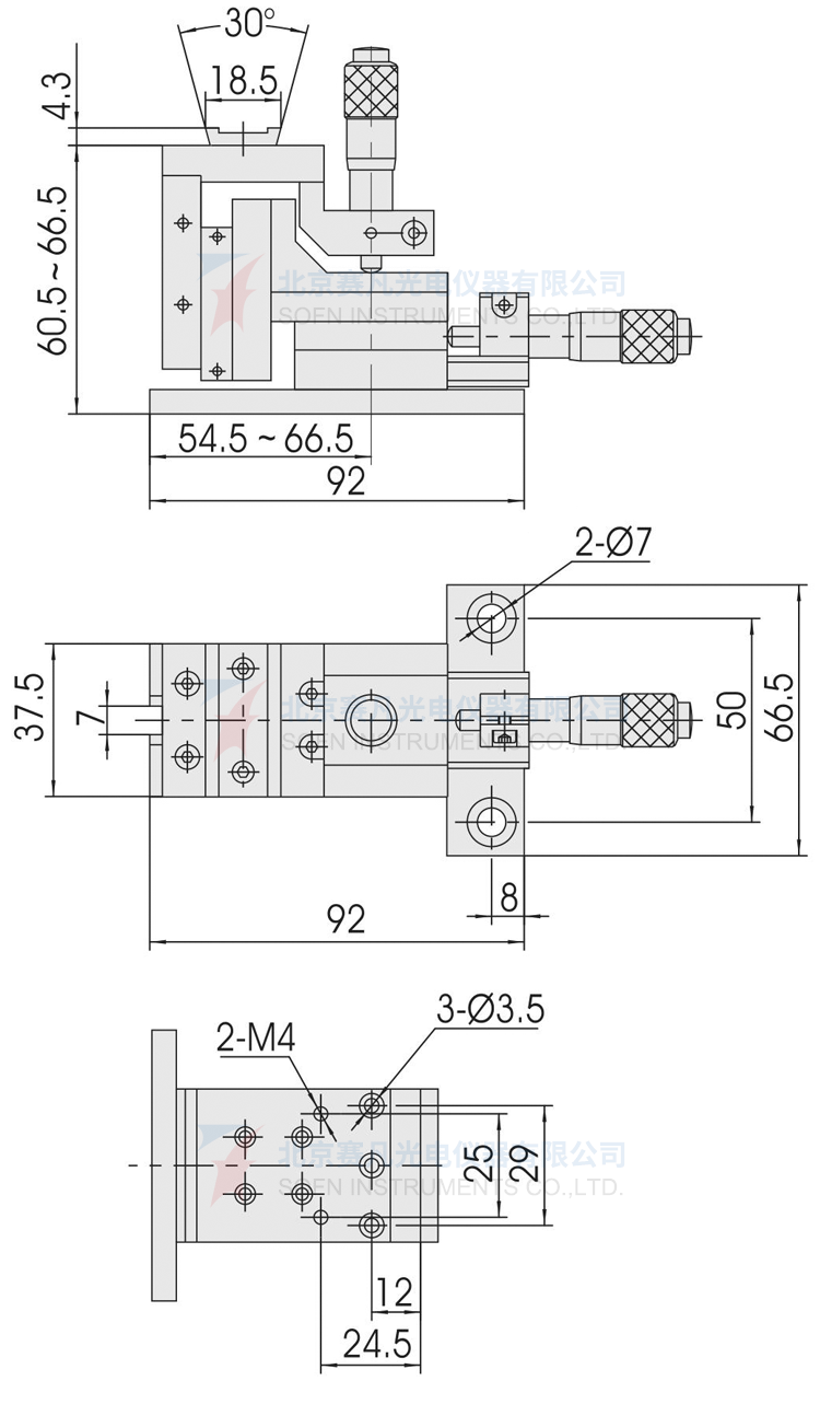
7MFP03 Two-dimensional Translation Mount
7MFP03
1、Excellent stainless steel with temperature stability effectively avoids drift; 2、Rigid structure design avoids interference from the vibration; 3、Two-dimensional translation adjustments through Y or Z axis; 4、Dovetail base for assemble optical mounts.
7MFP03 Two-dimensional Translation Mount


Characteristics:
1、Excellent stainless steel with temperature stability effectively avoids drift;
2、Rigid structure design avoids interference from the vibration;
3、Two-dimensional translation adjustments through Y or Z axis;
4、Dovetail base for assemble optical mounts.
Ancillary products:
Specifications:

Product drawings:

7MFP03












