7MFC3 Fiber Coupler
7MFC3
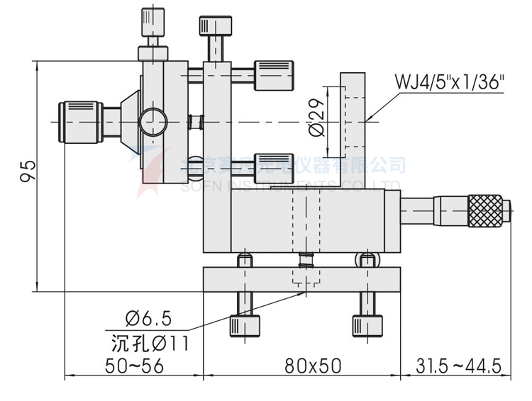
1、Based on 7MFC2 fiber coupler,the increaseed micrometer makes microobjective movable and then makes the Tx range bigger and quantitative; 2、Precision linear ball guide makes stable movement and high precision; 3、Increased biaxial inclination adjustable function,more convenient for coupling with the beam.
7MFC3 Fiber Coupler




Characteristics:
1、Based on 7MFC2 fiber coupler,the increaseed micrometer makes microobjective movable and then makes the Tx range bigger and quantitative;
2、Precision linear ball guide makes stable movement and high precision;
3、Increased biaxial inclination adjustable function,more convenient for coupling with the beam.
Ancillary products:
Specifications:

Product drawings:

7MFC3







