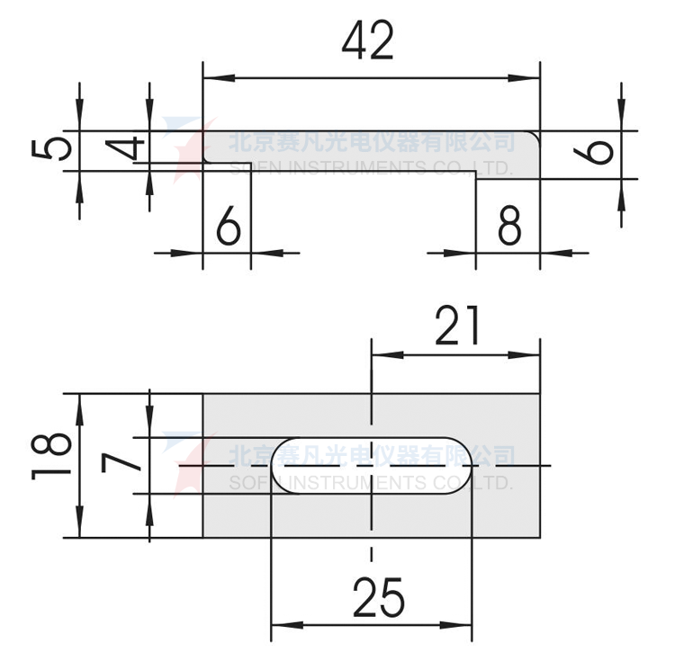
7MC6 Base Clamp
Model:
7MC6
Characteristics:
7MC series base clamps can make the baseplates,post holders and adjustable mounts fixed at any place on the table without limits by the thread,more flexible to use.














