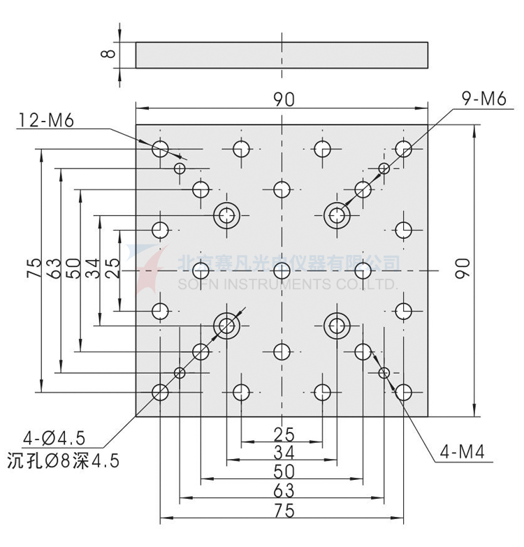
7MB11 Baseplate
Model:
7MB11
Characteristics:
7MB series baseplates are used to fix mounts on the working table or combine a variety of adjusting rack.They have multi specifications and flexible for selection.















