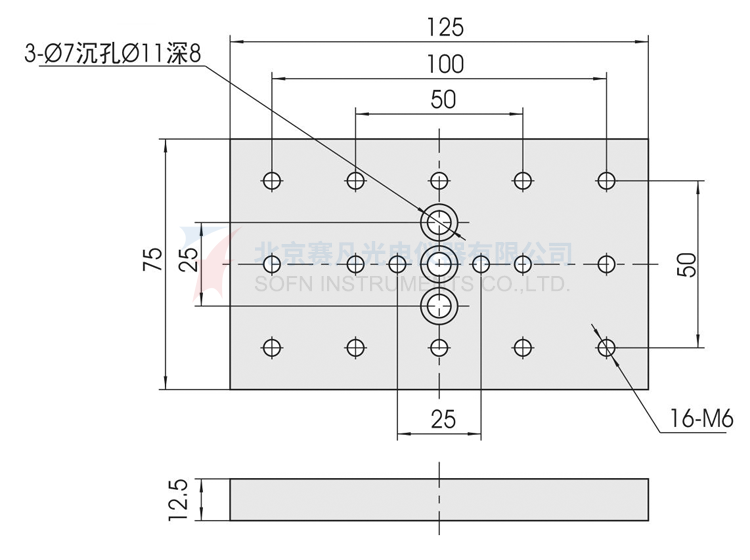
7MB3 Baseplate
Model:
7MB3
Characteristics:
7MB series baseplates are used to fix mounts on the working table or combine a variety of adjusting rack.They have multi specifications and flexible for selection.














