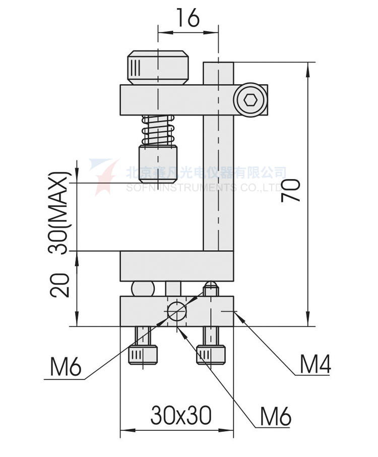
7MMR130 Two-dimensional Prism Mount
7MMR130
1、Two-dimensional tilt adjustment for prism; 2、M4×0.3 fine thread for adjustment by,high precision; 3、Belleville spring for reset,good stability; 4、Adjustable elastic device for clamping till rigidity,convenient and reliable.
7MMR130 Two-dimensional Prism Mount



Characteristics:
1、Two-dimensional tilt adjustment for prism;
2、M4×0.3 fine thread for adjustment by,high precision;
3、Belleville spring for reset,good stability;
4、Adjustable elastic device for clamping till rigidity,convenient and reliable.
Ancillary products:
Specifications:

Product drawings:

7MMR130






