7SIM0602 Tilt Platform
Model:
7SIM0602
Characteristics:
1、Two-dimensional adjustment of pitching and horizontal rotation; 2、Super fine pitch screw for adjustment,locking by copper nut,compact structure,convenient operation; 3、High quality tension spring for reset;
7SIM0602 Tilt Paltform




Characteristics:
1、Two-dimensional adjustment of pitching and horizontal rotation;
2、Super fine pitch screw for adjustment,locking by copper nut,compact structure,convenient operation;
3、High quality tension spring for reset;
Ancillary products:
Specifications:

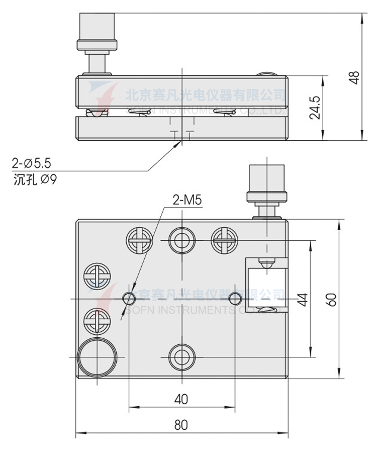
Product drawings:

7SIM0602






