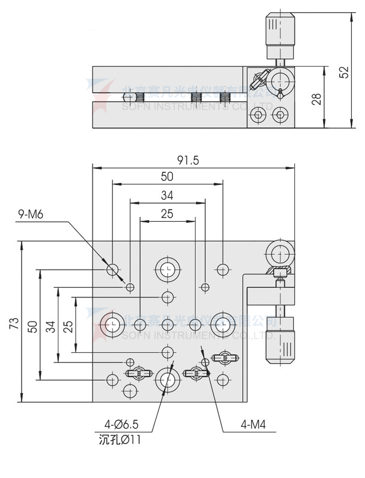
7SIM0503 Tilt Platform
Model:
7SIM0503
Characteristics:
1、Two-dimensional adjustment of pitching and horizontal rotation; 2、Super fine pitch screw for adjustment,high quality tension spring for reset; 3、Standard mounting holes,convenient to mount and fix.













