7STM03125 Precision Translation Stage
7STM03125
1、Cross roller guide with V-shape steel,high precision,large load bearing,long life; 2、Translation adjustment by fine pitch screw; 3、Fine pitch screw on one side of the stage,saving space; 4、Spring reset to eliminate the axial clearance; 5、Mounting holes with standard distance are distributed on the surface and the base for installation and combination; 6、Can be combined with other series stages to compose a multi dimensional adjusting rack.
7STM03125 Resolute Precision Translation Stage


Characteristics:
1、Cross roller guide with V-shape steel,high precision,large load bearing,long life;
2、Translation adjustment by fine pitch screw;
3、Fine pitch screw on one side of the stage,saving space;
4、Spring reset to eliminate the axial clearance;
5、Mounting holes with standard distance are distributed on the surface and the base for installation and combination;
6、Can be combined with other series stages to compose a multi dimensional adjusting rack.
Ancillary products:
Specifications:

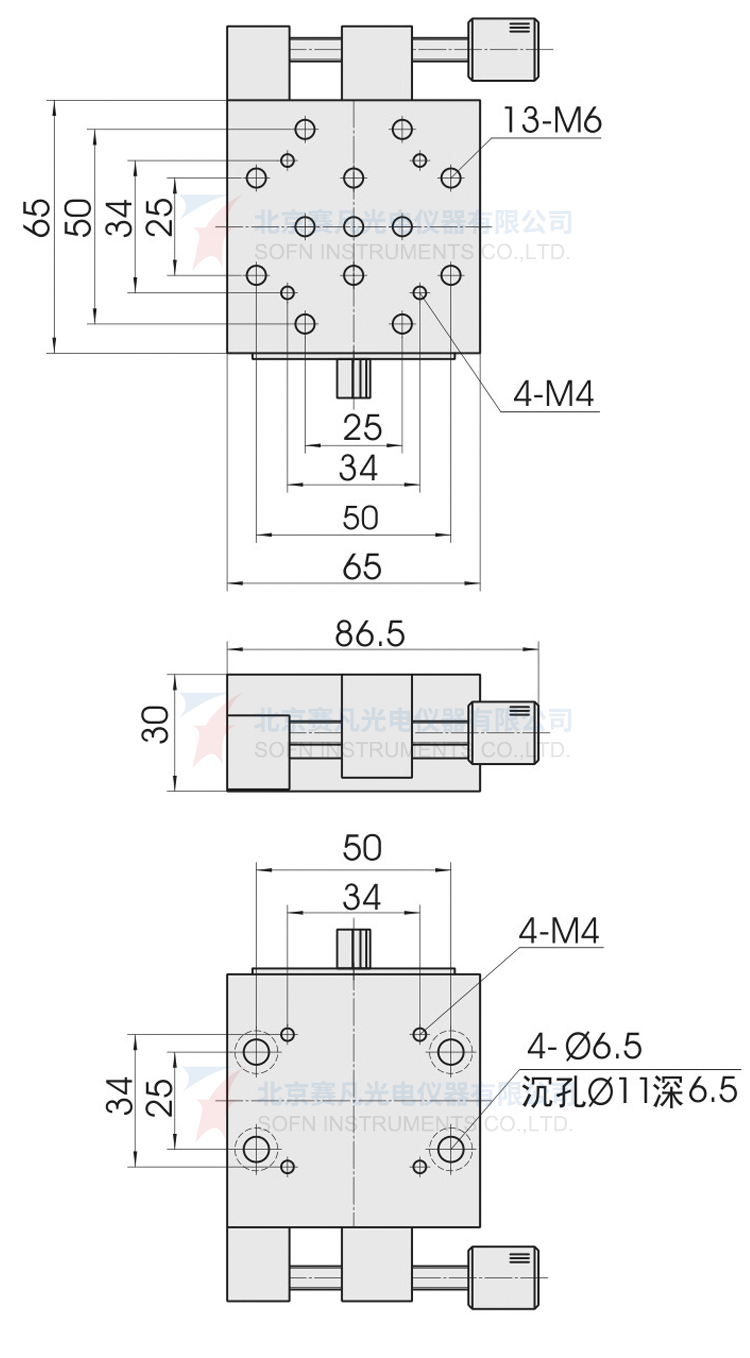
Product drawings:

7STM03125







