7XB-500-H xenon lamp bulb

characteristic:
 Short arc, good luminous efficiency and high arc stability;
 Small arc spot, easy to focus light;
 The xenon lamp can approach the maximum light output after starting;
 Continuous spectrum from ultraviolet to near infrared;
 The light color in visible area is very close to sunlight, with good color temperature (6000K) and high color rendering (Ra=94);
 Service life ≥ 800H;
 Maintain light and color characteristics throughout the service life;
 It can be used as a high stability xenon lamp light source to simulate sunlight, and is applied to the 3A solar simulator.
technical parameter:

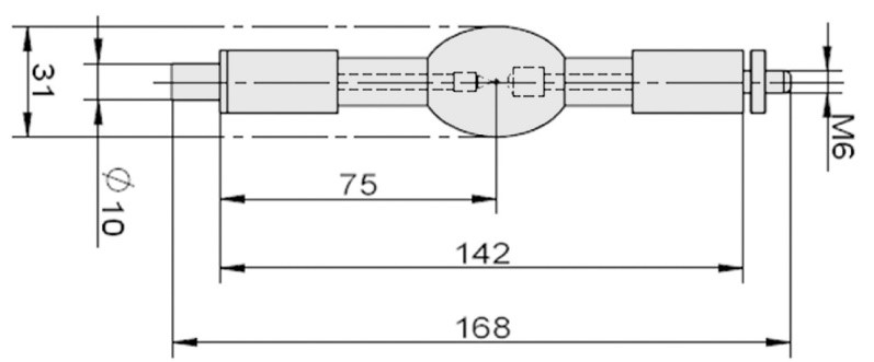
Outline and interface dimensions:





