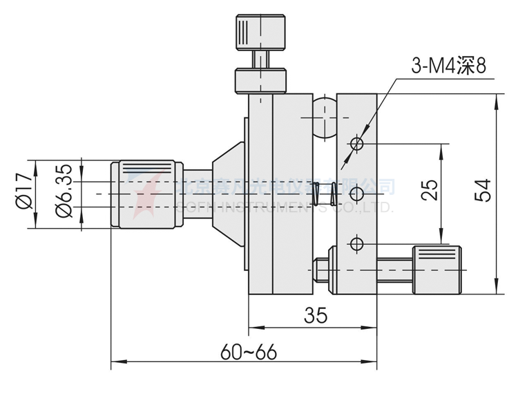
7MFC1 Fiber Coupler
Model:
7MFC1
Characteristics:
1、Provide three-dimentional translation and two-dimentional tilt adjustments; 2、Integrally closed design,compact structure; 3、Adjusted by fine thread,high precision.













