7MRC21 Rail Carrier
Model:
7MRC21
Characteristics:
1、Used with 7MR2 series sliding rails to make coaxial optical system; 2、Rigid locking handwheel with plastic head,firm locking without hurting rails; 3、Multiple mounting holes with standard pitch,strong applicability.
7MRC21 Rail Carrier





Characteristics:
1、Used with 7MR2 series sliding rails to make coaxial optical system;
2、Rigid locking handwheel with plastic head,firm locking without hurting rails;
3、Multiple mounting holes with standard pitch,strong applicability.
Ancillary products:
Specifications:

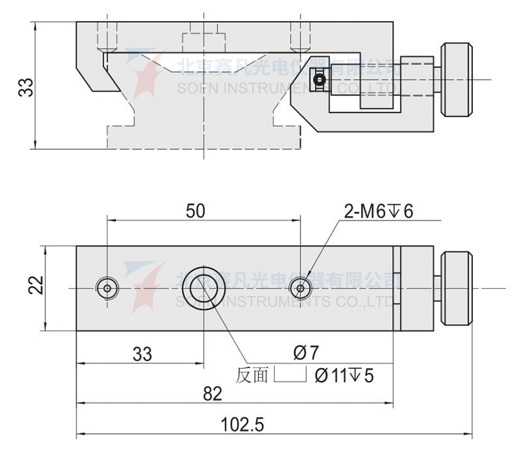
Product drawings:

7MRC21








