7MBR3 Right Angle Bracket
7MBR3
1、It is mainly used to assemble the translationg stages into two or three dimensional orthogonal systems,and also can be used with other adjustment mounts to make orthogonal systems; 2、Two rothogonal surface precision machining to ensure verticality requirement; 3、Mutiple mounting holes make strong versatility.
7MBR3 Right Angle Bracket


Characteristics:
1、It is mainly used to assemble the translationg stages into two or three dimensional orthogonal systems,and also can be used with other adjustment mounts to make orthogonal systems;
2、Two rothogonal surface precision machining to ensure verticality requirement;
3、Mutiple mounting holes make strong versatility.
Ancillary products:
Specifications:

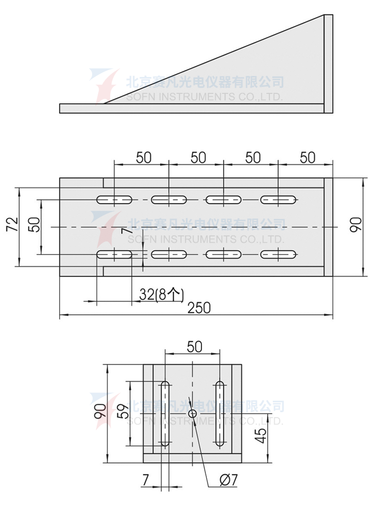
Product drawings:

7MBR3





