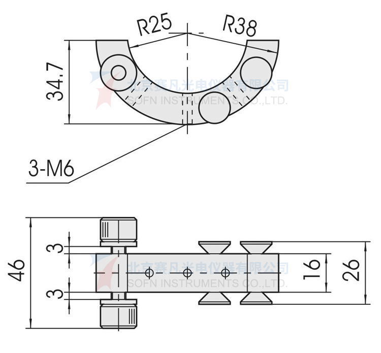
7MMF203 Filter Holder
Model:
7MMF203
Characteristics:
1、Open structure,convenient to load and unload optical element; 2、Non-contact design ensures optical element not scratched or stucked; 3、V-shape support with handwheel locking make clamping security.












