7SIA0205 Motorized Tilt Platform
7SIA0205
1、Provides the motorized double axis tilt adjustment; 2、Adjustment screw rod adopts M6×0.25 fine pitch one to realize precision adjustment; 3、High quality disc shaped spring reset ,good stability strong capacity of vibration resistant.
7SIA0205 Motorized Tilt Platform



Characteristics:
1、Provides the motorized double axis tilt adjustment;
2、Adjustment screw rod adopts M6×0.25 fine pitch one to realize precision adjustment;
3、High quality disc shaped spring reset ,good stability strong capacity of vibration resistant.
Ancillary products:
Specifications:

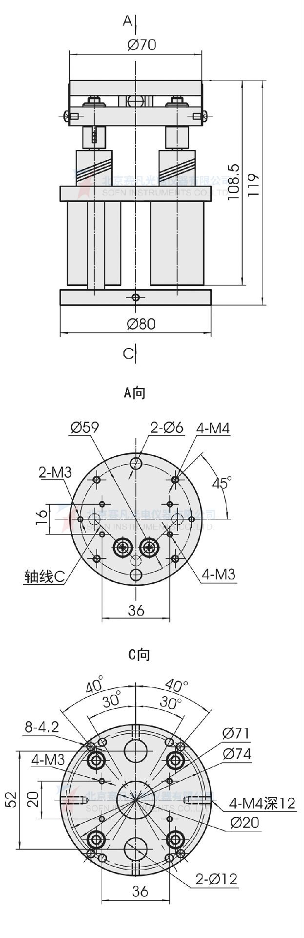
Product drawings:

7SIA0205






