7SVM0413 Precision Vertical Translation Stage
7SVM0413
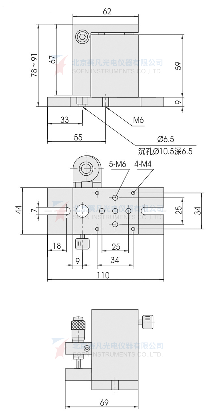
1、Precision linear bearing guide rail; 2、Double rails over-location ensures smooth and comfortable movement,high precision; 3、Driving directively by micrometer,quantitative reading; 4、Standard connection holes on the table for connection,such as connecting with 7MP series supporting rod.
7SVM0413 Precision Vertical Translation Stage


Characteristics:
1、Precision linear bearing guide rail;
2、Double rails over-location ensures smooth and comfortable movement,high precision;
3、Driving directively by micrometer,quantitative reading;
4、Standard connection holes on the table for connection,such as connecting with 7MP series supporting rod.
Ancillary product:
Specifications:

Product drawings:

7SVM0413






